乐发vll

cctv.央视访谈企业一航天级研发基地

首页 产品 案例 我们
常见问答
液压缸用间隙密封件直接阻止泄漏?
来源: 东晟密封 发布日期: 2022-11-17

1间隙密封件截面图2

密封(英文Gap seal)又液压缸密封件。东晟密封告诉您……间隙密封为非接触式密封,它是依靠相对运动件配合面之间的微小间隙,造成一定的流动阻力来减少泄漏或阻止泄漏,从而实现密封的。(图1-1)为滑阀的柱塞与缸套之间的间隙密封,它是通过被密封的流体进行多次节流来实现密封。

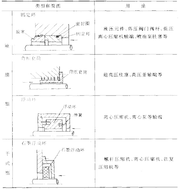
2间隙密封的分类方法及用途2

硫化密封圈,硫化密封件,硫化橡胶密封圈,硫化橡胶密封件,硫化橡胶O型密封圈,硫化橡胶O形密封圈,硫化O形密封圈,硫化O型密封圈,硫化橡胶制品

油封_油封修理包_油封散件_油封厂家-广东东晟油封生产厂家  http://www.dshseals.cn/

推荐资讯