广东东晟密封科技有限公司

32载专注密封圈研发生产厂家 CCTV.央视访谈企业一航天级研发基地
18925433252 18925433252
聚焦东晟 · 资讯分享
耐磨环的功能优势
返回列表 来源: 东晟密封 发布日期: 2021.06.26

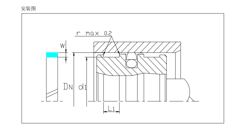
耐磨环的是要功能是为液压缸的活塞和活塞杆提供导向和支承作用,并且吸收径向负载;同时可防止油缸运动部件之间的金属接触,比如活塞和缸筒或活塞杆和缸头,与传统的金属耐磨环相比,非金属的耐磨环具有以下明显优势:

1.耐磨环乐发vll生产成本低,承载能力高,消除了局部应力集中。

2.耐磨性好,使用寿命长,金属/塑料配对,消除了相互磨损,摩擦性特好。

3.耐磨环乐发vll能吸收并衰减机械振动,擦拭效果好,可吸附外来的细小颗粒 。

乐发vll 4.简单的封闭式沟槽,容易安装,维护成本低 。

耐磨环


咨询热线

18925433252